| Sign In | Join Free | My chinalane.org |
|
Brand Name : Canroon
Model Number : CR2000
Certification : CE ISO9001:2008
Place of Origin : Shenzhen
MOQ : 1SET
Price : Negotiation
Payment Terms : L/C,T/T,Western Union
Supply Ability : 2000 Piece/Pieces per Week
Delivery Time : Most items are with stock for sample order within 2 days for shipping, bulk order in 20-45 days
Packaging Details : Wooden case, neutral carton
Temperature Range : 50-1000℃
Cooling system : Air Cooling
Input Power : 10-160KW
Heating Time : 0-999s
Voltage : 3 Phase, 380-460v, 50/60HZ,
Heating Mode : Continuous/Pulse
Frequency : 3-35kHZ
Induction Coil : Customized
Temperature Control : Digital Display
Application : Pipe Welding Preheat, Post Weld Heat Treatment
Canroon is a remarkable energy saving solutions provider, specialized in frequecy inverter for more than 10 years, whose
products and solutions are widely used in shipbuilding, aviation, automotive, metallurgy, chemical engineering, petroleum
pipeline constrution, new materials, new energy and other fields.
Canroon has a professional R&D team, committed to convert its wisdom into leading products and services to meet the
needs of different customers, continuing to create values for customers
VFD variable frequency drive 3 Phase 380V Air Cooling Metal Case solar water pump inverter
The frequency converter has many protection functions, such as overcurrent, overvoltage, overload protection and so on.
With the continuous improvement of industrial automation, frequency converters have also been widely used.
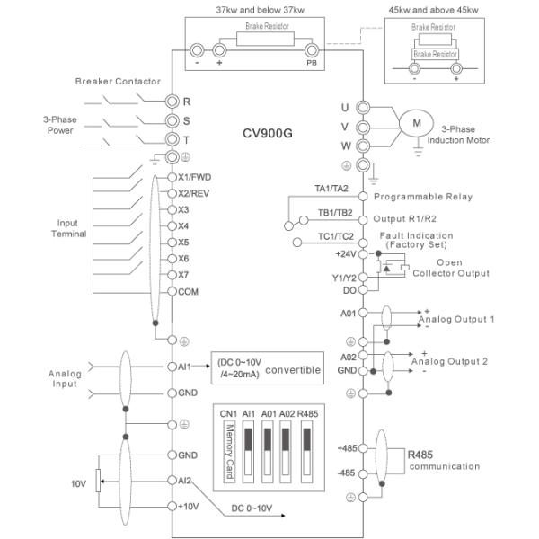
CV900G series frequency inverter included advanced technology of flux vector control. High torque output of full
frequency, quick response, perfect load adaptability,high control precision of speed and good reliability, all of which
ensure it to meet high requirement of various field application.
VFD variable frequency drive 3 Phase 380V Air Cooling Metal Case solar water pump inverter
1,4 Control Mode
2,Ultralow Noise
3,High Running Freq.
4,Excellent Torque Output
5,High Overload Capacity
6,Control Protection


| Input | Rated Voltage, Frequency | 3-phase(4T#sereis)380V;50/60HZ 1-phase(2S#series)220V;50/60HZ |
| Allowed Voltage Range | 3-phase(4T#series)320V~460V 1-phase(2S#series)160V~260V | |
| Output | Voltage | 4T#series; 0~460V 2S#series; 0~260V |
| Frequency | Low frequency mode: 0~300HZ ; High frequency mode: 0~3000HZ | |
| Overload Capacity | G type: 110% for long-term, 150% for 1 min, 180% for 5s P type: 105% for long-term, 120% for 1 min, 150% for 1s | |
| Control Mode | V/F control, advanced V/F control, V/F separation control, electric current vector control | |


Drawing machine, textile, packaging machinery, tobacco, paper making, stone machinery, mining machinery,
printing machinery, food, chemical, transmission, wire and cable, metallurgy, machine tools, wood machinery,
ceramic industry, building materials, and much more industries.







Our Services VFD variable frequency drive 3 Phase 380V Air Cooling Metal Case solar water pump inverter
1. keep the quality first and make more products benefit to our customers' need
2.about our Online/Sale service
super and solid quality,Fast and punctual delivery,Standard export package or as customers’ need.
3.After-sale service
Assistance to your project,Repairing and maintenance if any problem occur in the warranty, Installation and
clerks training,Spare and wearing parts for free or with big discount,Any feedback of machines can be told to
us, and we will try our best to support you.
FAQ VFD variable frequency drive 3 Phase 380V Air Cooling Metal Case solar water pump inverter:
1. Are you a trading company or manufacturer?
We are manufacturer in Shenzhen, China, specialized in frequency inverter and portable water cooling
induction heater/induction heating machine for many years.
2. What's the delivery time for sample and bulk order?
Normally for machines in stock, will deliver within 5 days, if not, 7-30 days according to your order.
3. What's your quality guarantee period?
12 months warranty
4. Can I get a lower price if I order large quantities?
Of course. Cheaper price with larger quantity
5. can you customize the machine for us?
Yes, of course, just tell me your detailed requirement, so I can suggest you most suitable model.
|
|
Customized Induction Metal Heater 160KVA Preheat Steel For Welding Images |